Có thiết kế dạng đĩa nén, kéo thông minh, tính bảo vệ cao, loadcell YBSC Keli trở thành dòng cảm biến lực được sử dụng phổ biến trong môi trường công nghiệp. Loại loadcell này được lắp đặt chủ yếu trong các loại cân phễu, cân xilo,…

Chi tiết về loadcell YBSC Keli
- Model: YBSC
- Hãng sản xuất: Keli
- Tải trọng loadcell: 2 tấn, 5 tấn
- Chất liệu: thép không gỉ
- Quá tải an toàn: 150%FS
- Quá tải phá hủy: 180%FS
*Các loại loadcell YBSC Tân Phát hiện đang cung cấp và có sẵn:
- Loadcell YBSC 2 tấn >>> https://thietbidien88.com/loadcell-ybsc-keli-2-tan
- Loadcell YBSC 5 tấn >>> https://thietbidien88.com/loadcell-ybsc
Sơ đồ đấu nối

| ĐỎ | XANH | ĐEN | TRẮNG | |
| Exc+ | Sig+ | Exc- | Sig- | Shield |
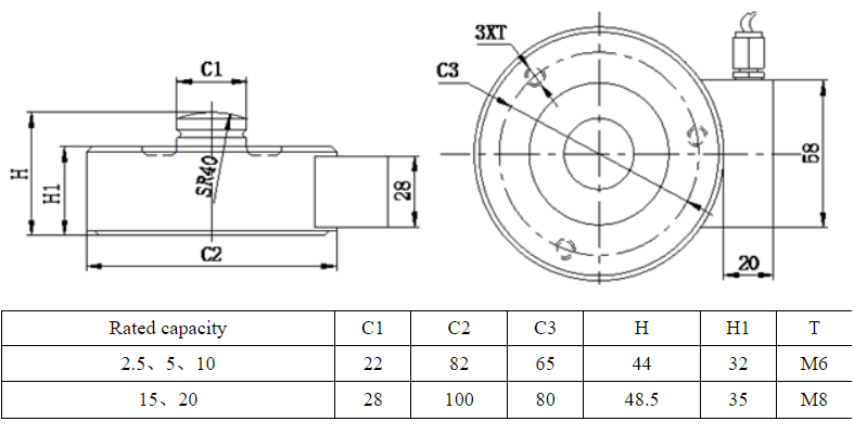
Bản vẽ cấu tạo chi tiết

Thông số kỹ thuật loadcell YBSC Keli
| Model | YBSC |
| Hãng sản xuất | Keli |
| Xuất xứ | Trung Quốc |
| Nơi cung cấp | Tân Phát |
| Tải trọng | 2 tấn, 5 tấn |
| Độ phân giải | 2.0±0.05(0.05~1t) mV/V
2.0±0.02(2~50t) mV/V |
| Điện trở đầu vào | 400±20Ω/750±10Ω |
| Điện trở đầu ra | 352±3Ω/702±3Ω |
| Sai số | ±0.5(0.05~1t) %FS
±0.3(2~50t) %FS |
| Điện trở cách điện | ≥5000MΩ |
| Dải nhiệt độ hoạt động | -30 đến +70 ℃ |
| Độ dài dây dẫn | 5m (0.05~1t)
6m (2~5t) 12m (10~50t) |
| Cấp bảo vệ | IP68 |
| Quá tải an toàn | 150 %FS |
| Quá tải phá hủy | 180 %FS |
| Trạng thái không tải | ±1%FS |
| Chất liệu cấu tạo | Alloy Steel (thép không gỉ) |
| Ứng dụng | Cân bồn, cân đóng bao, cân sàn điện tử, cân phễu, cân xilo, cân bàn điện tử có độ rung và dao động |
Hình ảnh thực tế loadcell YBSC Keli




Đặt mua loadcell YBSC tại Tân Phát, quý khách hàng hoàn toàn có thể yên tâm về chất lượng sản phẩm. Tân Phát luôn tự tin mang đến cho quý khách hàng những sản phẩm chất lượng tốt, chính hãng với giá cạnh tranh bậc nhất thị trường.
Đồng thời, đội ngũ kỹ thuật nhiều kinh nghiệm của Tân Phát luôn sẵn sàng hỗ trợ mọi vấn đề kỹ thuật, lắp đặt cho quý khách hàng.
*Xem thêm các loại cảm biến lực khác của Tân Phát tại đây >>> https://www.loadcellkeli.com/products/
Nhận tư vấn và báo giá ngay tại:
CÔNG TY CỔ PHẦN CÔNG NGHỆ TỰ ĐỘNG TÂN PHÁT
- Địa chỉ: VT32, LK4, KĐT Đại Thanh, Tả Thanh Oai, Thanh Trì, Hà Nội
- Hotline: 0963 966 866
- Email: tudonghoa88@gmail.com